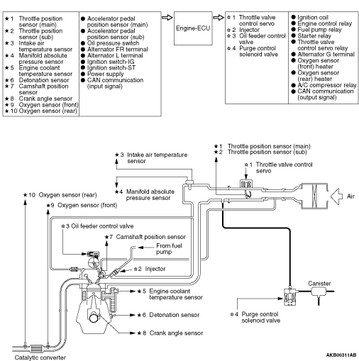
GENERAL INFORMATION




FUEL INJECTION CONTROL






THROTTLE VALVE OPENING CONTROL




IDLE SPEED CONTROL





IGNITION TIMING CONTROL




SELF-DIAGNOSIS FUNCTION



  • When an abnormality is detected in one of the sensors or actuators related to emission control, the engine warning lamp (check engine lamp) illuminates as a warning to the driver.
  • When an abnormality is detected in one of the sensors or actuators, a diagnosis code corresponding to the abnormality is output.
  • The RAM data inside the engine-ECU that is related to the sensors and actuators can be read by means of the M.U.T.-III. In addition, the actuators can be force-driven under certain circumstances.

OTHER CONTROL FUNCTIONS





















  • Auto Stop Prohibition Control
    When one or more of following conditions are satisfied during idling, the engine-ECU should send the auto stop prohibition signal to the AS&G-ECU.

  1. The engine coolant temperature is lower than approximately 60°C.
  2. When one or more of the following conditions are satisfied, the vehicle is in "auto stop prohibition status" by electrical load.

  • The amount of the vehicle current consumption is more than the specified value.
  • The power generation control is in the forcible full charge mode.
  • The buttery discharge current is more than the specified value.
  • When the battery is determined as being deteriorated.
  • Diagnosis code No. P0622, No. P1608 or No. U1004 is detected.
  • The diagnosis code causing the MIL to illuminate is detected.
  • Approximately 30 seconds have not been taken since the engine started.

    • Forcible Auto Start Request Control
      When one or more of following conditions are satisfied during the auto stop, the engine-ECU should send the engine start request signal to the AS&G-ECU.

    1. The engine coolant temperature is lower than approximately 55 °C.
    2. The amount of the vehicle current consumption is more than the specified value.
    3. The buttery discharge current is more than the specified value.
    4. Diagnosis code No. P1608 is detected.

    GENERAL SPECIFICATIONS


    Items
    Specifications
    Throttle body
    Throttle bore mm
    45
    Throttle position sensor
    Hall element type
    Throttle valve control servo
    DC motor type, having brushes
    Engine-ECU
    Identification No.
    E6T78678 <Except vehicles for Russia>
    E6T78675 <Vehicles for Russia>
    Sensors
    Intake air temperature sensor
    Thermistor type
    Engine coolant temperature sensor
    Thermistor type
    Oxygen sensor
    Zirconia type
    Accelerator pedal position sensor
    Hall element type
    Camshaft position sensor
    Magneto resistance element type
    Crank angle sensor
    Magneto resistance element type
    Detonation sensor
    Piezoelectric element type
    Manifold absolute pressure sensor
    Piezo resistive semiconductor type
    Actuators
    Engine control relay
    Contact switch type
    Fuel pump relay
    Contact switch type
    A/C compressor relay
    Contact switch type
    Starter relay
    Contact switch type
    Injector relay
    Contact switch type
    Injector type and number
    Electromagnetic type, 4
    Injector identification mark
    KMN230B
    Throttle valve control servo relay
    Contact switch type
    Oil feeder control valve
    Duty cycle type solenoid valve
    Purge control solenoid valve
    Duty cycle type solenoid valve
    Fuel pressure regulator
    Regulator pressure kPa
    324
    <Except vehicles for Russia>

    <Vehicles for Russia>