|
|
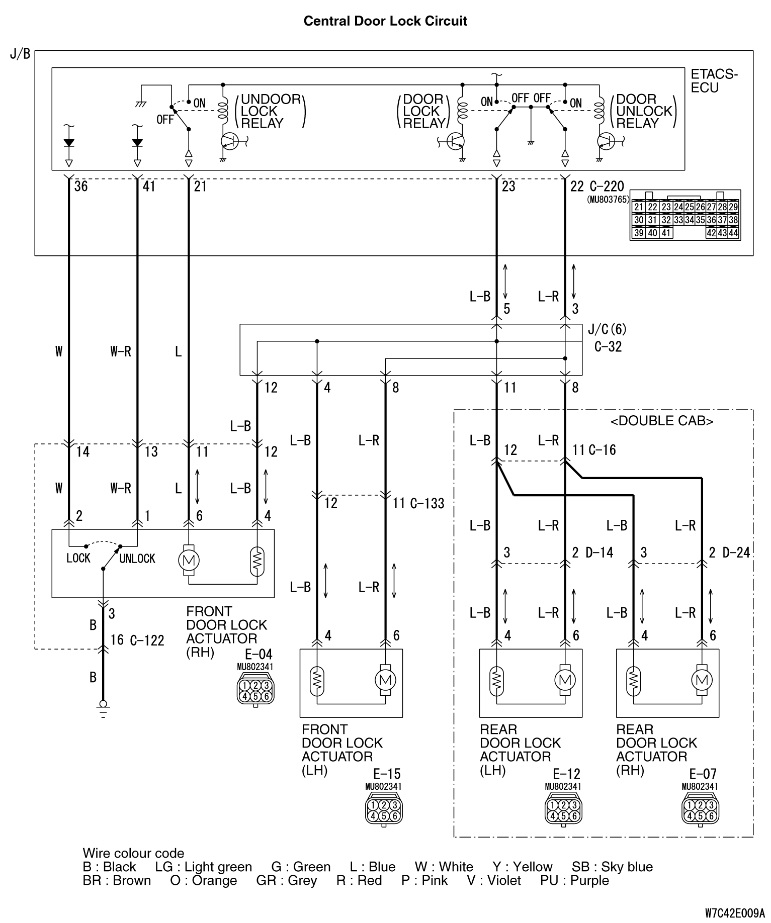
If a door cannot be locked or unlocked by the central door locking system, the door lock
actuator may be defective.
|
|
|
- Malfunction of the door lock actuator
- Damaged harness wires and connectors
|
|
|
Q.
Which door fails to lock correctly?
|
|
|
Driver’s door : Go to Step 2.
|
|
|
|
|
|
Front passenger’s door : Go to Step 6.
|
|
|
|
|
|
Rear right door <Double cab> : Go to Step 10.
|
|
|
|
|
|
Rear left door <Double cab> : Go to Step 14.
|
|
|
|

|
Q.
Is the check result normal?
Go to Step 3.
Repair the defective connector.
|
|
|
Check that the front door lock actuator (RH) works normally. Refer to .
|
|
|
Q.
Is the check result normal?
|
|
|
Replace the front door lock actuator (RH).
|
|
|
|

|
Q.
Is the check result normal?
Go to Step 5.
Repair the defective connector.
|


|
| note |
Prior to the wiring harness inspection, check intermediate connector C-122 and junction
block connector C-32, and repair if necessary.
|
- Check the input and output lines for open circuit.
Q.
Is the check result normal?
The trouble can be an intermittent malfunction (Refer to GROUP 00, How to use
Troubleshooting/inspection Service Points -
How to Cope with Intermittent Malfunction ).
Repair the wiring harness.
|

|
Q.
Is the check result normal?
Go to Step 7.
Repair the defective connector.
|
|
|
Check that the front door lock actuator (LH) works normally. Refer to .
|
|
|
Q.
Is the check result normal?
|
|
|
Replace the front door lock actuator (LH).
|
|
|
|

|
Q.
Is the check result normal?
Go to Step 9.
Repair the defective connector.
|

|
| note |
Prior to the wiring harness inspection, check intermediate connector C-133 and junction
block connector C-32, and repair if necessary.
|
- Check the input and output lines for open circuit.
Q.
Is the check result normal?
The trouble can be an intermittent malfunction (Refer to GROUP 00, How to use
Troubleshooting/inspection Service Points -
How to Cope with Intermittent Malfunction ).
Repair the wiring harness.
|

|
Q.
Is the check result normal?
Go to Step 11.
Repair the defective connector.
|
|
|
Check that the rear door lock actuator (RH) is in good condition. Refer to .
|
|
|
Q.
Is the check result normal?
|
|
|
Replace the tailgate lock actuator.
|
|
|
|

|
Q.
Is the check result normal?
Go to Step 13.
Repair the defective connector.
|



|
| note |
Prior to the wiring harness inspection, check intermediate connectors C-16, D-24 and junction
block connector C-32, and repair if necessary.
|
- Check the input and output lines for open circuit.
Q.
Is the check result normal?
The trouble can be an intermittent malfunction (Refer to GROUP 00, How to use
Troubleshooting/inspection Service Points -
How to Cope with Intermittent Malfunction ).
Repair the wiring harness.
|

|
Q.
Is the check result normal?
Go to Step 15.
Repair the defective connector.
|
|
|
Check that the rear door lock actuator (LH) is in good condition. Refer to .
|
|
|
Q.
Is the check result normal?
|
|
|
Replace the tailgate lock actuator.
|
|
|
|

|
Q.
Is the check result normal?
Go to Step 17.
Repair the defective connector.
|



|
| note |
Prior to the wiring harness inspection, check intermediate connectors C-16, D-14 and junction
block connector C-32, and repair if necessary.
|
- Check the input and output lines for open circuit.
Q.
Is the check result normal?
The trouble can be an intermittent malfunction (Refer to GROUP 00, How to use
Troubleshooting/inspection Service Points -
How to Cope with Intermittent Malfunction ).
Repair the wiring harness.
|