TRITON 4G year 2006-2007
Twitter
Facebook
Snapchat
Instagram
Medium
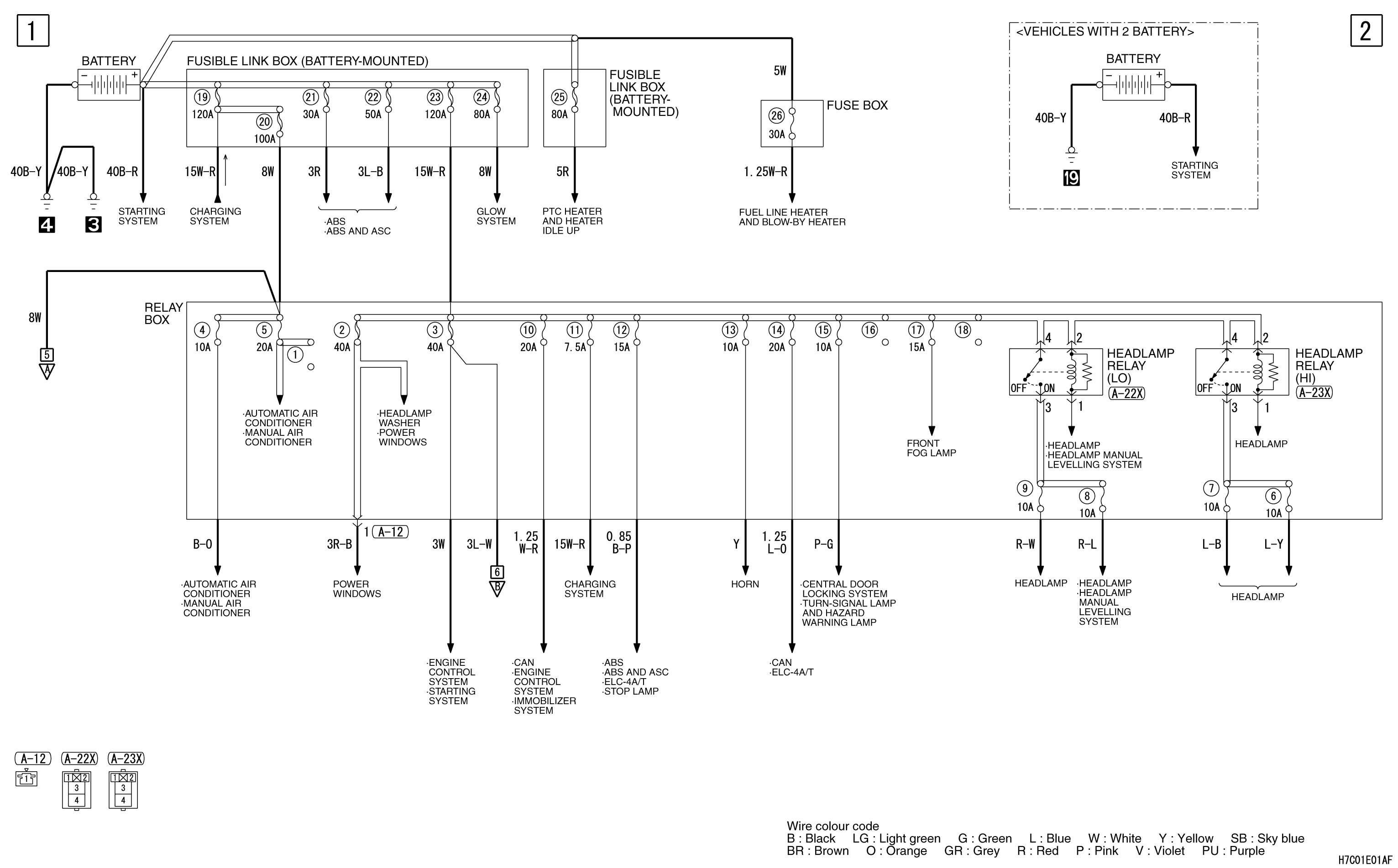
POWER DISTRIBUTION SYSTEM <LHD>
POWER DISTRIBUTION SYSTEM <LHD> (CONTINUED)
POWER DISTRIBUTION SYSTEM <LHD> (CONTINUED)
Menu
Homepage
Mitsubishi Cars
Outlander 2008
Outlander 2013
TRITON 2007
TRITON 2013
LANCER 2009
PAJERO 2009
PAJERO 2013
ASX 2013
i-MiEV 2011
Privacy Policy
About Us
Terms of Use
Contact Us
SERVICE MANUALS
TOYOTA
TOYOTA COROLLA
FORD
JEEP
Chevrolet
MAZDA CX-5
HYUNDAI
HONDA
Mercedes-Benz