
|
The fuel temperature sensor, which is mounted on the supply pump, detects the temperature
of the fuel through the changes in the resister of it’s the thermistor.
|

|
The diagram describes the characteristics of this sensor.
|

|
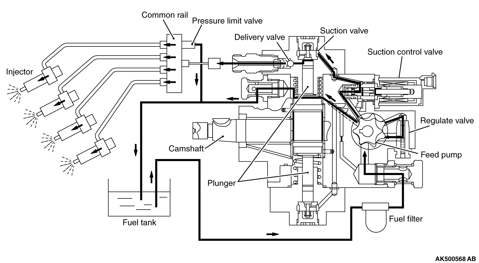
The suction control valve, which is a linear solenoid valve that operates under the duty-cycle
rate, is mounted on the supply pump. The suction control valve controls the amount of fuel that flows from the feed pump to
the high-pressure chamber, based on the actuation signals that are output by the engine-ECU. When the ON duty cycle ratio is lower, the valve opening increases. Then the amount of
the fuel flowing into the common rail increases as well as the fuel pressure in the common rail. When the ON duty cycle ratio is higher, the valve opening decreases. Then the amount of
the fuel flowing into the common rail decreases as well as the fuel pressure in the common rail.
|