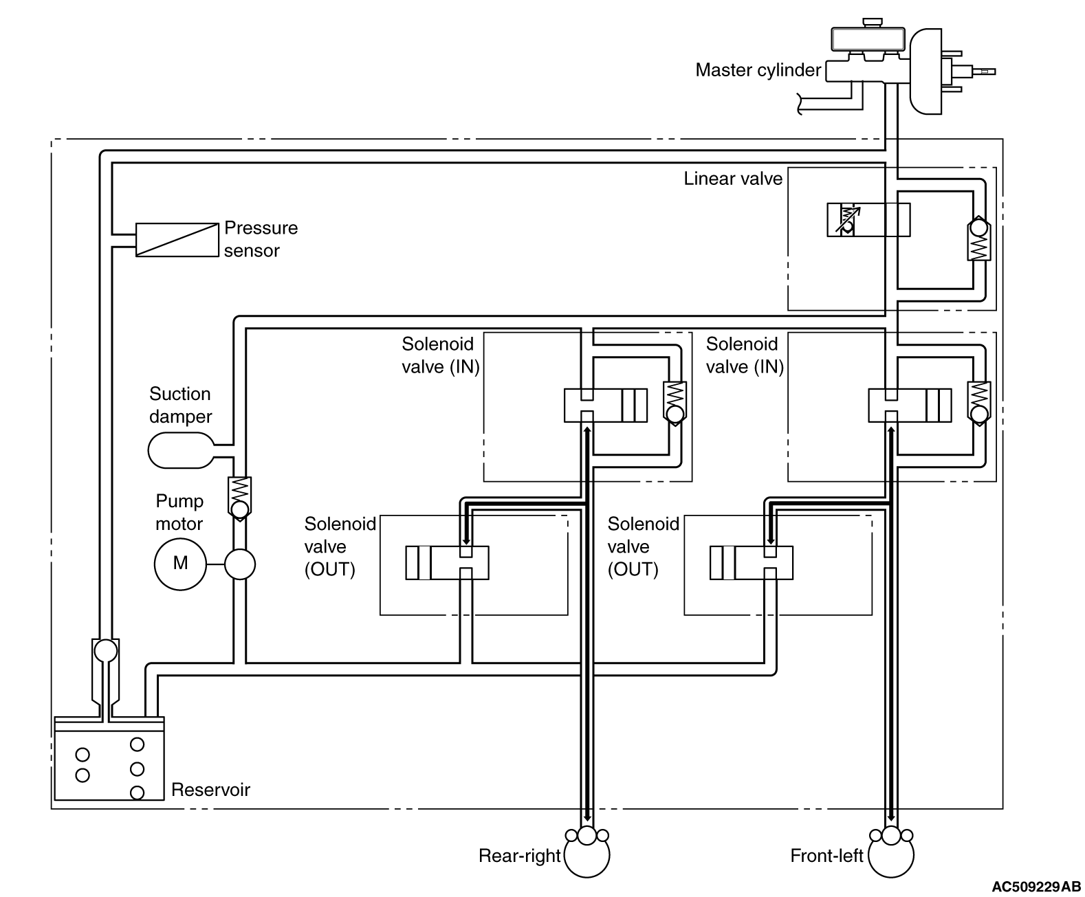
SYSTEM OPERATION



ACTIVE STABILITY CONTROL SYSTEM OPERATION






When brake is normally applied or brake fluid pressure is increased by ABS






VALVE CONDITION
Item
Power status
Open/Close
Linear valve
OFF
Open
Solenoid valve (IN)
OFF
Open
Solenoid valve (OUT)
OFF
Closed

When brake fluid pressure is held by ABS






VALVE CONDITION
Item
Power status
Open/Close
Linear valve
OFF
Open
Solenoid valve (IN)
ON
Closed
Solenoid valve (OUT)
OFF
Closed

When brake fluid pressure is decreased by ABS






VALVE CONDITION
Item
Power status
Open/Close
Linear valve
OFF
Open
Solenoid valve (IN)
ON
Closed
Solenoid valve (OUT)
ON
Open

When brake fluid pressure is increased by ASC (or increased by ATC)






VALVE CONDITION
Item
Power status
Open/Close
Linear valve
ON
Closed
Solenoid valve (IN)
OFF
Open
Solenoid valve (OUT)
OFF
Closed

When brake fluid pressure is held by ASC (or held by ATC)






VALVE CONDITION
Item
Power status
Open/Close
Linear valve
ON
Closed
Solenoid valve (IN)
ON
Closed
Solenoid valve (OUT)
OFF
Closed

When brake fluid pressure is decreased by ASC (or decreased by ATC)






VALVE CONDITION
Item
Power status
Open/Close
Linear valve
ON
Closed
Solenoid valve (IN)
ON
Closed
Solenoid valve (OUT)
ON
Open

ACTIVE TRACTION CONTROL SYSTEM OPERATION