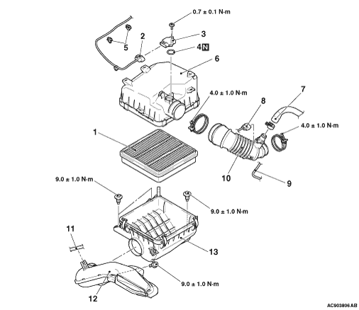
REMOVAL AND INSTALLATION







Removal steps


1.
Air cleaner element


2.
Air flow sensor connector connection


3.
Air flow sensor


4.
Air flow sensor O-ring


5.
Harness clamp


6.
Air cleaner cover


7.
Breather hose connection


8.
Blow-by hose heater connector <Vehicles for cold zone>

>>A<<
9.
Vacuum hose connection <Euro5b>


10.
Air intake hose


11.
Radiator condenser tank hose connection


12.
Air cleaner intake duct


13.
Air cleaner body

INSTALLATION SERVICE POINTS



>>A<< VACUUM HOSE CONNECTION



Clamp vacuum hose with clip of air intake hose beside white marking as shown.