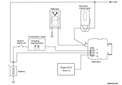
OUTPUT CURRENT TEST

1.
- Alternator installation
- Battery (Refer to GROUP 54A - Battery - On-Vehicle Service - Battery
Test
.)note The battery should be slightly discharged. The load needed by a fully-charged battery is insufficient for an accurate test. - Drive belt tension
(Refer to GROUP 11A - On-Vehicle Service - Alternator and Power Steering Oil Pump Drive Belt Tension Check and Adjustment
.) - Fusible link
- Abnormal noise from the alternator while the engine is running.
3.
| caution | Never use clips but tighten bolts and nuts to connect the
line. Otherwise loose connections (e.g. using clips) will lead to a serious accident because
of high current. |
| note | The way of disconnecting the alternator output wire and of connecting the ammeter is possibly
not found the problem that the output current is dropping due to the insufficient connection
between terminal "B" and the output wire. |
6.
7.
8.
9.
| note | If the voltage is 0 V, the cause is probably an open circuit in the wire or fusible link
between the alternator "B" terminal and the battery (+) terminal. |
11.
Limit: 70% of normal current output
| note |
|
13.
14.
15.
16.
17.
18.