LANCER 7G year 2009
Twitter
Facebook
Snapchat
Instagram
Medium
GENERAL INFORMATION
Change
Remark
Intercooler water spray control system is disused.
System is simplified.
No. 2 waste gate solenoid valve is disused.
System is simplified.
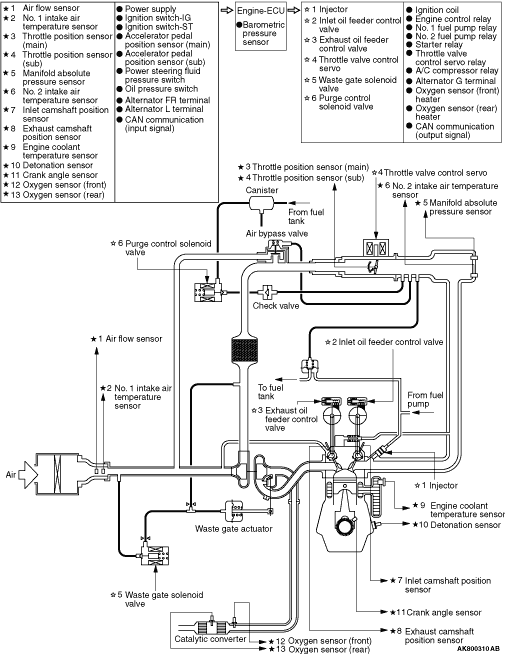
System Block Diagram
Control System Diagram
Menu
Homepage
Mitsubishi Cars
Outlander 2008
Outlander 2013
TRITON 2007
TRITON 2013
LANCER 2009
PAJERO 2009
PAJERO 2013
ASX 2013
i-MiEV 2011
Privacy Policy
About Us
Terms of Use
Contact Us
SERVICE MANUALS
TOYOTA
TOYOTA COROLLA
FORD
JEEP
Chevrolet
MAZDA CX-5
HYUNDAI
HONDA
Mercedes-Benz