REMOVAL AND INSTALLATION <M/T>


caution When the EGR cooler is replaced, use the M.U.T.-III to initialise the learning value (Refer to GROUP 00 - Precautions Before Service, Initialisation Procedure for Learning Value in Common Rail Engine ).
Pre-removal Operation
  • EGR Valve Assembly Removal (Refer to ).
  • Starter Assembly Removal (Refer to GROUP 16 - Starting System, Starter Assembly ).
  • Engine Oil Draining (Refer to GROUP 12 - On-vehicle Service, Engine Oil Replacement ).

Post-installation Operation
  • Starter Assembly Installation (Refer to GROUP 16 - Starting System, Starter Assembly ).
  • EGR Valve Assembly Installation (Refer to ).
  • Engine Oil Refilling (Refer to GROUP 12 - On-vehicle Service, Engine Oil Replacement ).





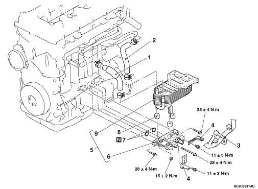
Removal steps


1.
Cooling water line hose C


2.
Cooling water line hose D


3.
Battery wiring harness connection


4.
Harness bracket


5.
EGR cooler and oil cooler fitting assembly


6.
Oil cooler fitting assembly


7.
O-ring


8.
Cooling water line spacer


9.
EGR cooler