
|
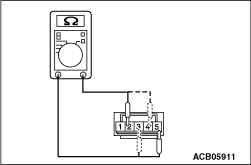
1.As shown in the figure, connect the circuit tester to the FCM ON/OFF switch as
a single unit. 2.Check the continuity status when the FCM ON/OFF switch is pressed and when
the switch is released.
|
|
Item
|
When the FCM ON/OFF switch is released (Not being operated)
|
When the FCM ON/OFF switch is pressed
|
Continuity between terminal No. 5 and No. 8
|
No continuity
|
Continuity exists (2 Ω or less)
|
Continuity between terminal No. 5 and No. 8
|
Continuity exists
|
Continuity exists
|
|
|