HYDRAULIC PRESSURE TESTS



1.
caution The A/T fluid temperature should be between 70 - 80°C during the test.
Check the A/T fluid level, temperature and engine coolant temperature.

  • A/T fluid level: HOT mark on the level gauge
  • A/T fluid temperature: 70 - 80°C
  • Engine coolant temperature: 80 - 100°C
2.Raise the vehicle so that the wheels are free to turn.



3.Connect the special tools (oil pressure gauge (3.0 MPa) [MD998330] and adapters [MD998332, MD998900]) to each pressure discharge port.
note
  • 2B: Second brake pressure port
  • UC: Underdrive clutch pressure port
  • LB: Low-reverse brake pressure port
  • OC: Overdrive clutch pressure port
  • TR: Torque converter release pressure port
  • TA: Torque converter apply pressure port
  • RC: Reverse clutch pressure port
  • DC: Direct clutch pressure port
  • RB: Reduction brake pressure port
4.Restart the engine.
5.Check that there are no leaks around the special tool port adapters.
6.Measure the hydraulic pressure at each port under the conditions given in the standard hydraulic pressure table, and check that the measured values are within the standard value ranges.
7.If the pressure is not within the standard value, stop the engine and refer to the hydraulic pressure test diagnosis table.
8.Remove the O-ring from the port plug and replace it.
9.Remove the special tool, and install the plugs to the hydraulic pressure ports.
10.Start the engine and check that there are no leaks around the plugs.

STANDARD HYDRAULIC PRESSURE TABLE


Measurement condition
Standard hydraulic pressure MPa
Selector lever position
Shift position
Engine speed (r/min)
Underdrive clutch pressure [UC]
Reverse clutch pressure [RC]
Overdrive clutch pressure [OC]
Direct clutch pressure [DC]
Low- reverse brake pressure [LB]
Second brake pressure [2B]
Reduction brake pressure [RB]
Torque converter pressure [TR]
P
-
2,500
-
-
-
-
0.26 - 0.36
-
0.26 - 0.36
0.22 - 0.36
R
Reverse
2,500
-
1.27 - 1.77
-
-
1.27 - 1.77
-
1.27 - 1.77
0.50 - 0.73
N
-
2,500
-
-
-
-
0.26 - 0.36
-
0.26 - 0.36
0.22 - 0.36
Sport mode
1st gear
2,500
0.98 - 1.05
-
-
-
0.98 - 1.05
-
0.98 - 1.05
0.50 - 0.73
2nd gear
2,500
0.98 - 1.05
-
-
-
-
0.98 - 1.05
0.98 - 1.05
0.50 - 0.73
3rd gear
2,500
0.78 - 0.90
-
0.78 - 0.90
-
-
-
0.78 - 0.88
0.45 - 0.72
4th gear
2,500
0.78 - 0.90
-
0.78 - 0.90
0.78 - 0.88
-
-
-
0.45 - 0.72
5th gear
2,500
-
-
0.78 - 0.90
0.78 - 0.88
-
0.78 - 0.88
-
0.45 - 0.72
note When the torque converter pressure is measured, the engine speed should be 1,500 r/min or less.

HYDRAULIC PRESSURE TEST DIAGNOSIS TABLE


Trouble symptom
Probable cause
All hydraulic pressures are high.
Malfunction of the regulator valve
All hydraulic pressures are low.
Malfunction of the oil pump
Clogged internal oil filter
Clogged oil cooler
Malfunction of the regulator valve
Malfunction of the relief valve
Incorrect valve body installation
Improperly installed solenoid valves
Damaged solenoid valve O-rings
Hydraulic pressure is abnormal in reverse gear only.
Malfunction of the regulator valve
Clogged orifice
Incorrect valve body installation
Hydraulic pressure is abnormal in 3rd or 4th gear only.
Malfunction of the overdrive solenoid valve
Malfunction of the overdrive pressure control valve
Malfunction of the regulator valve
Malfunction of the switch valve
Clogged orifice
Incorrect valve body installation
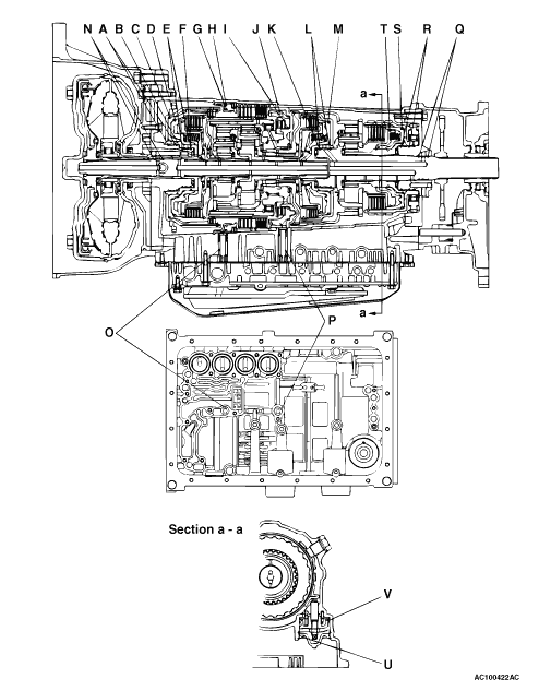
Only underdrive clutch hydraulic pressure is abnormal.
Malfunction of the oil seal K
Malfunction of the oil seal L
Malfunction of the oil seal M
Malfunction of the oil seal Q
Malfunction of the underdrive solenoid valve
Malfunction of the underdrive pressure control valve
Malfunction of the check ball
Clogged orifice
Incorrect valve body installation
Only reverse clutch hydraulic pressure is abnormal.
Malfunction of the oil seal A
Malfunction of the oil seal B
Malfunction of the oil seal C
Clogged orifice
Incorrect valve body installation
Only overdrive clutch hydraulic pressure is abnormal.
Malfunction of the oil seal D
Malfunction of the oil seal E
Malfunction of the oil seal F
Malfunction of the overdrive solenoid valve
Malfunction of the overdrive pressure control valve
Malfunction of the check ball
Clogged orifice
Incorrect valve body installation
Only direct clutch hydraulic pressure is abnormal.
Malfunction of the oil seal R
Malfunction of the oil seal S
Malfunction of the oil seal T
Malfunction of the low-reverse solenoid valve (Shared with direct clutch)
Malfunction of the low-reverse pressure control valve
Malfunction of the switch valve
Malfunction of the fail safe valve C
Clogged orifice
Incorrect valve body installation
Only low-reverse brake hydraulic pressure is abnormal.
Malfunction of the oil seal I
Malfunction of the oil seal J
Malfunction of the oil seal P
Malfunction of the low-reverse solenoid valve
Malfunction of the low-reverse pressure control valve
Malfunction of the switch valve
Malfunction of the fail safe valve A
Malfunction of all the check ball
Clogged orifice
Incorrect valve body installation
Only second brake hydraulic pressure is abnormal.
Malfunction of the oil seal G
Malfunction of the oil seal H
Malfunction of the oil seal O
Malfunction of the second solenoid valve
Malfunction of the second pressure control valve
Malfunction of the fail safe valve B
Clogged orifice
Incorrect valve body installation
Only reduction brake hydraulic pressure is abnormal.
Malfunction of the oil seal U
Malfunction of the oil seal V
Malfunction of the reduction solenoid valve
Malfunction of the reduction pressure control valve
Clogged orifice
Incorrect valve body installation
Only damper clutch pressure is abnormal.
Clogged oil cooler
Malfunction of the oil seal N
Malfunction of the damper clutch solenoid valve
Malfunction of the damper clutch pressure control valve
Clogged orifice
Incorrect valve body installation
Pressure applied to element which should not receive pressure.
Incorrect transmission control cable adjustment
Malfunction of the manual valve
Malfunction of the check ball
Incorrect valve body installation

OIL SEAL LAYOUT