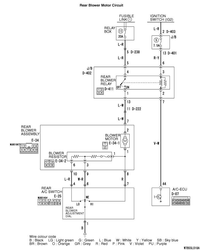
Inspection Procedure 11: Air volume of rear blower cannot be changed. <Dual A/C>





COMMENTS ON TROUBLE SYMPTOM
PROBABLE CAUSES
- Malfunction of the blower resistor
- Damaged the wiring harness or connectors
- Malfunction of the rear A/C switch
DIAGNOSIS PROCEDURE |
STEP 1. Check that the blower motor operates when the blower switch is moved to the "3 (HI) " position. |
| (1)Turn the ignition switch to the "ON" position. |
| (2)Turn the rear blower switch to the "3 (HI) " position. |
Q.
Does the blower motor operate when the blower switch is moved to the "3 (HI) " position?
|
Go to Step 2. |
|
Refer to Inspection procedure 10 "The rear blower does not work <Dual A/C> . |
|
STEP 2. Connector check: E-34-2 blower resistor connector |
Q.
Is the check result normal?
|
Go to Step 3. |
|
Repair the connector. |
|
STEP 3. Check the blower resistor. |
Refer to . |
Q.
Is the rear blower relay in good condition?
|
Go to Step 4. |
|
Replace the blower resistor. |
|
STEP 4. Connector check: E-25 rear A/C switch connector |
Q.
Is the check result normal?
|
Go to Step 5. |
|
Repair the connector. |
|
STEP 5. Check the rear A/C switch. |
Refer to . |
Q.
Is the rear blower relay in good condition?
|
Go to Step 6. |
|
Replace the blower resistor. |
|
STEP 6. Check the wiring harness between E-25 rear A/C switch connector (terminals 4 and 6) and E-34-2 blower resistor connector (terminals 6 and 3). |
|
|
Q.
Is the check result normal?
|
Go to Step 7. |
|
Repair the wiring harness. |
|
STEP 7. Connector check: E-34-1 rear blower motor connector |
Q.
Is the check result normal?
|
Go to Step 8. |
|
Repair the connector. |
|
STEP 8. Check the wiring harness between E-34-2 blower resistor connector terminal No.1 and E-34-1 blower motor connector terminal No.1. |
|
Q.
Is the check result normal?
|
The trouble can be an intermittent malfunction (Refer to GROUP 00, How to Cope with Intermittent Malfunction ). |
|
Repair the wiring harness. |
|

Refer to Inspection procedure 10 "The rear blower does not work <Dual A/C> 