|
|
Q.
Is the check result normal?
|
|
|
Repair or replace the connector.
|
|
|
|
|
|
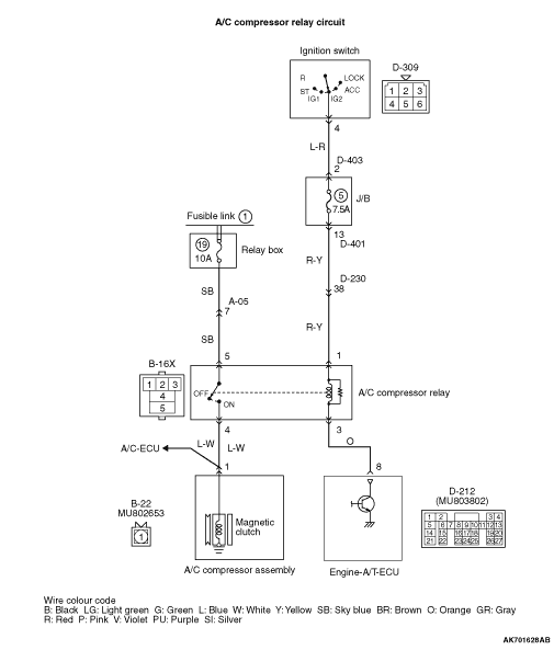
- Check A/C compressor relay (Refer to GROUP 55 - On-vehicle Service - Power
Relay Check
).
|
|
|
Q.
Is the check result normal?
|
|
|
Replace the A/C compressor relay.
|
|
|
|
|
|
- Remove relay, and measure at relay box side.
- Ignition switch: ON
- Voltage between terminal No. 1 and earth.
|
|
|
Q.
Is the check result normal?
|
|
|
Q.
Is the check result normal?
|
|
|

Check intermediate connectors D-230, D-401
and D-403 and repair if necessary. If intermediate connectors are normal, check and repair harness between
B-16X (terminal No. 1) A/C compressor relay connector and D-309 (terminal No. 4) ignition switch
connector.
- Check power supply line for open/short circuit.
|
|
|
|
|
|
Repair or replace the connector.
|
|
|
|
|
|
- Remove relay, and measure at relay box side.
- Voltage between terminal No. 5 and earth.
|
|
|
Q.
Is the check result normal?
|
|
|

Check intermediate connector A-05, and repair
if necessary. If intermediate connector is normal, check and repair harness between B-16X (terminal
No. 5) A/C compressor relay connector and battery.
- Check power supply line for open/short circuit.
|
|
|
|
|
|
Q.
Is the check result normal?
|
|
|
Repair or replace the connector.
|
|
|
|
|
|
- Disconnect connector, and measure at harness side.
- Remove B-16X (terminal No. 4 and No. 5) A/C compressor relay and short-circuit of
harness side connector.
- Ignition switch: ON
- Voltage between terminal No. 1 and earth.
|
|
|
Q.
Is the check result normal?
|
|
|

Check and repair harness between B-22 (terminal
No. 1) A/C compressor assembly connector and B-16X (terminal No. 4) A/C compressor relay connector.
- Check output line for open/short circuit.
|
|
|
|
|
|
- Disconnect connector, and measure at harness side.
- Ignition switch: ON
- Voltage between terminal No. 8 and earth.
|
|
|
Q.
Is the check result normal?
|
|
|
Q.
Is the check result normal?
|
|
|
Repair or replace the connector.
|
|
|
|
|
|
- Check earthing line for open/short circuit.
|
|
|
Q.
Is the check result normal?
|
|
|
Repair the damaged harness wire.
|
|
|
|
|
|
- Item 93: A/C compressor relay
- Engine: Idling
- A/C set temperature:
Maximum Cool when temperature in cabin is 25°C or
more Maximum Hot when temperature in cabin is 25°C or less
|
|
|
OK:
ON (when A/C is ON) OFF (when A/C is OFF)
|
|
|
Q.
Is the check result normal?
|
|
|
Intermittent malfunction (Refer to GROUP 00 - How to Use Troubleshooting/Inspection
Service Points - How to Cope with Intermittent Malfunctions ).
|
|
|
|
|
|
Replace the engine-A/T-ECU.
|
|
|
|
|
|
Q.
Is the check result normal?
|
|
|
Repair or replace the connector.
|
|
|
|
|
|
- Check earthing line for damage.
|
|
|
Q.
Is the check result normal?
|
|
|
Repair the damaged harness wire.
|
|
|
|
|
|
Q.
Is the check result normal?
|
|
|
Repair or replace the connector.
|
|
|
|
|
|
- Check power supply line for damage.
|
|
|
Q.
Is the check result normal?
|
|
|
Repair the damaged harness wire.
|
|
|
|
|
|
- Check power supply line for damage.
|
|
|
Q.
Is the check result normal?
|
|
|
Repair the damaged harness wire.
|
|
|
|
|
|
- Check output line for damage.
|
|
|
Q.
Is the check result normal?
|
|
|
Replace the A/C compressor magnet clutch.
|
|
|
|
|
|
Repair the damaged harness wire.
|
|
|
|