|
|
Q.
Is the check result normal?
|
|
|
Q.
Are the check results normal?
|
|
|
Repair or replace the connector.
|
|
|
|
|
|
- Check ignition coil itself (Refer to GROUP 16 -
Ignition System -
On-vehicle
Service -
Ignition coil check
).
|
|
|
Q.
Is the check result normal?
|
|
|
Replace the ignition coil.
|
|
|
|
|
|
- Disconnect connector, and measure at harness side.
- Ignition switch: ON
- Voltage between terminal No. 3 and earth.
|
|
|
Q.
Are the check results normal?
|
|
|
Q.
Is the check result normal?
|
|
|

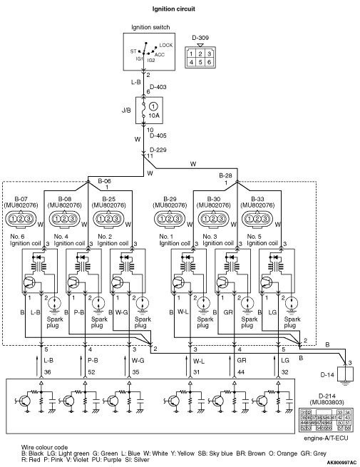
Check intermediate connectors B-06*2 or
B-28*1, D-299, D-403 and D-405, and repair if necessary. If intermediate
connectors are normal, check and repair harness between ignition switch connector and ignition
coil connector.
- Check and repair harness between D-309 (terminal
No. 2) ignition switch connector and B-29 (terminal No. 3) No. 1 ignition coil connector.
- Check and repair harness between D-309 (terminal No. 2) ignition switch connector
and B-25 (terminal No. 3) No. 2 ignition coil connector.
- Check and repair harness between D-309 (terminal No. 2) ignition switch connector
and B-30 (terminal No. 3) No. 3 ignition coil connector.
- Check and repair harness between D-309 (terminal No. 2) ignition switch connector
and B-08 (terminal No. 3) No. 4 ignition coil connector.
- Check and repair harness between D-309 (terminal No. 2) ignition switch connector
and B-33 (terminal No. 3) No. 5 ignition coil connector.
- Check and repair harness between D-309 (terminal No. 2) ignition switch connector
and B-07 (terminal No. 3) No. 6 ignition coil connector.
- Check power supply line for open/short circuit.
|
|
|
|
|
|
Repair or replace the connector.
|
|
|
|
|
|
- Disconnect connector, and measure at harness side.
- Engine: Cranking
- Voltage between terminal No. 2 and earth.
|
|
|
Q.
Are the check results normal?
|
|
|
- Measure engine-A/T-ECU terminal voltage.
- Disconnect B-07, B-08, B-25, B-29, B-30 and B-33 ignition coil connectors.
- Engine: Cranking
- Voltage between terminal No. 31 and earth (No. 1 Ignition
coil).
- Voltage between terminal No. 35 and earth (No. 2 Ignition coil).
- Voltage between terminal No. 44 and earth (No. 3 Ignition coil).
- Voltage between terminal No. 52 and earth (No. 4 Ignition coil).
- Voltage between terminal No. 32 and earth (No. 5 Ignition coil).
- Voltage between terminal No. 36 and earth (No. 6 Ignition coil).
|
|
|
Q.
Are the check results normal?
|
|
|
Q.
Is the check result normal?
|
|
|

Check and repair harness between ignition
coil connector and engine-A/T-ECU connector.
- Check and repair harness between B-29 (terminal No.
2) No. 1 ignition coil connector and D-214 (terminal No. 31) engine-A/T-ECU connector.
- Check and repair harness between B-25 (terminal No. 2) No. 2 ignition coil connector and
D-214 (terminal No. 35) engine-A/T-ECU connector.
- Check and repair harness between B-30 (terminal No. 2) No. 3 ignition coil connector and
D-214 (terminal No. 44) engine-A/T-ECU connector.
- Check and repair harness between B-08 (terminal No. 2) No. 4 ignition coil connector and
D-214 (terminal No. 52) engine-A/T-ECU connector.
- Check and repair harness between B-33 (terminal No. 2) No. 5 ignition coil connector and
D-214 (terminal No. 32) engine-A/T-ECU connector.
- Check and repair harness between B-07 (terminal No. 2) No. 6 ignition coil connector and
D-214 (terminal No. 36) engine-A/T-ECU connector.
- Check output line for open circuit.
|
|
|
|
|
|
Repair or replace the connector.
|
|
|
|
|
|
Q.
Is the check result normal?
|
|
|
Repair or replace the connector.
|
|
|
|
|
|
- Check and repair harness between B-29 (terminal No.
2) No. 1 ignition coil connector and D-214 (terminal No. 31) engine-A/T-ECU connector.
- Check and repair harness between B-25 (terminal No. 2) No. 2 ignition coil connector
and D-214 (terminal No. 35) engine-A/T-ECU connector.
- Check and repair harness between B-30 (terminal No. 2) No. 3 ignition coil connector
and D-214 (terminal No. 44) engine-A/T-ECU connector.
- Check and repair harness between B-08 (terminal No. 2) No. 4 ignition coil connector
and D-214 (terminal No. 52) engine-A/T-ECU connector.
- Check and repair harness between B-33 (terminal No. 2) No. 5 ignition coil connector
and D-214 (terminal No. 32) engine-A/T-ECU connector.
- Check and repair harness between B-07 (terminal No. 2) No. 6 ignition coil connector
and D-214 (terminal No. 36) engine-A/T-ECU connector.
- Check output line for short circuit.
|
|
|
Q.
Are the check results normal?
|
|
|
Repair the damaged harness wire.
|
|
|
|
|
|
Q.
Does trouble symptom persist?
|
|
|
Replace the engine-A/T-ECU.
|
|
|
|
|
|
Intermittent malfunction (Refer to GROUP 00 -
How to Use Troubleshooting/Inspection
Service Points -
How to Cope with Intermittent Malfunction ).
|
|
|
|
|
|
- Disconnect connector, and measure at harness side.
- Resistance between terminal No. 1 and earth.
|
|
|
OK: Continuity (2 Ω
or less)
|
|
|
Q.
Are the check results normal?
|
|
|

Check and repair harness between ignition
coil connector and body earth.
- Check and repair harness between B-29 (terminal No.
1) No. 1 ignition coil connector and body earth
- Check and repair harness between B-25 (terminal No. 1) No. 2 ignition coil connector and
body earth
- Check and repair harness between B-30 (terminal No. 1) No. 3 ignition coil connector and
body earth
- Check and repair harness between B-08 (terminal No. 1) No. 4 ignition coil connector and
body earth
- Check and repair harness between B-33 (terminal No. 1) No. 5 ignition coil connector and
body earth
- Check and repair harness between B-07 (terminal No. 1) No. 6 ignition coil connector and
body earth
- Check earthing line for open circuit and damage.
|
|
|
|
|
|
- Check and repair harness between D-309 (terminal
No. 2) ignition switch connector and B-29 (terminal No. 3) No. 1 ignition coil connector.
- Check and repair harness between D-309 (terminal No. 2) ignition switch connector
and B-25 (terminal No. 3) No. 2 ignition coil connector.
- Check and repair harness between D-309 (terminal No. 2) ignition switch connector
and B-30 (terminal No. 3) No. 3 ignition coil connector.
- Check and repair harness between D-309 (terminal No. 2) ignition switch connector
and B-08 (terminal No. 3) No. 4 ignition coil connector.
- Check and repair harness between D-309 (terminal No. 2) ignition switch connector
and B-33 (terminal No. 3) No. 5 ignition coil connector.
- Check and repair harness between D-309 (terminal No. 2) ignition switch connector
and B-07 (terminal No. 3) No. 6 ignition coil connector.
|
|
|
- Check power supply line for damage.
|
|
|
Q.
Are the check results normal?
|
|
|
Repair the damaged harness wire.
|
|
|
|
|
|
- Check and repair harness between B-29 (terminal No.
2) No. 1 ignition coil connector and D-214 (terminal No. 31) engine-A/T-ECU connector.
- Check and repair harness between B-25 (terminal No. 2) No. 2 ignition coil connector
and D-214 (terminal No. 35) engine-A/T-ECU connector.
- Check and repair harness between B-30 (terminal No. 2) No. 3 ignition coil connector
and D-214 (terminal No. 44) engine-A/T-ECU connector.
- Check and repair harness between B-08 (terminal No. 2) No. 4 ignition coil connector
and D-214 (terminal No. 52) engine-A/T-ECU connector.
- Check and repair harness between B-33 (terminal No. 2) No. 5 ignition coil connector
and D-214 (terminal No. 32) engine-A/T-ECU connector.
- Check and repair harness between B-07 (terminal No. 2) No. 6 ignition coil connector
and D-214 (terminal No. 36) engine-A/T-ECU connector.
- Check output line for damage.
|
|
|
Q.
Are the check results normal?
|
|
|
Repair the damaged harness wire.
|
|
|
|