|
|
- Measure battery voltage at cranking.
|
|
|
Q.
Is the check result normal?
|
|
|
Check battery (Refer to GROUP 54A - Battery - On-vehicle Service - Battery
Test ).
|
|
|
|
|
|
OK:
ON (Ignition switch: ST) OFF (Ignition switch: ON)
|
|
|
Q.
Is the check result normal?
|
|
|
Q.
Is the check result normal?
|
|
|
Repair or replace the connector.
|
|
|
|
|
|
- Disconnect connector, and measure at the harness side.
- Ignition switch: ST
- Voltage between terminal No. 51 and earth.
|
|
|
Q.
Is the check result normal?
|
|
|
Q.
Is the check result normal?
|
|
|
Repair or replace the connector.
|
|
|
|
|
|
- Disconnect connector, and measure at the harness side.
- Ignition switch: ST
- Voltage between terminal No. 10 and earth.
|
|
|
Q.
Is the check result normal?
|
|
|
Q.
Is the check result normal?
|
|
|
Repair or replace the connector.
|
|
|
|
|
|
- Check ignition switch (Refer to GROUP 54A - Ignition switch - Inspection
).
|
|
|
Q.
Is the check result normal?
|
|
|

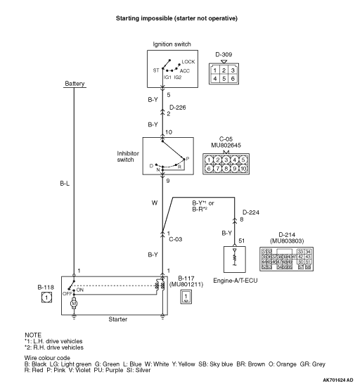
Check intermediate connector D-226 and repair
if necessary. If intermediate connector is normal, check and repair harness between C-05 (terminal No.
10) inhibitor switch connector and D-309 (terminal No. 5) ignition switch connector.
- Check power supply line for open/short circuit.
|
|
|
|
|
|
Replace the ignition switch.
|
|
|
|
|
|
- Check inhibitor (Refer to GROUP 23A - On-vehicle Service - Essential
Service - Inhibitor Switch Check
).
|
|
|
Q.
Is the check result normal?
|
|
|

Check inhibitor intermediate connectors C-03
and D-224, and repair if necessary. If intermediate connector are normal, check and repair harness between
C-05 (terminal No. 9) inhibitor switch connector and D-214 (terminal No. 51) engine-A/T-ECU
connector.
- Check power supply line for open/short circuit.
|
|
|
|
|
|
Replace the inhibitor switch.
|
|
|
|
|
|
Q.
Are the check results normal?
|
|
|

Check intermediate connector C-03, and repair
if necessary. If intermediate connector is normal, check and repair harness between C-05 (terminal No.
9) inhibitor switch connector and B-117 (terminal No. 1) starter connector.
- Check output line for short circuit.
|
|
|
|
|
|
Repair or replace the connector.
|
|
|
|
|
|
Q.
Is the check result normal?
|
|
|
Repair or replace the connector.
|
|
|
|
|
|
- Disconnect connector, and measure at the harness side.
- Ignition switch: ST
- Voltage between terminal No. 1 and earth.
|
|
|
Q.
Is the check result normal?
|
|
|
Q.
Is the check result normal?
|
|
|

Check intermediate connector C-03, and repair
if necessary. If intermediate connector is normal, check and repair harness between C-05 (terminal No.
9) inhibitor switch connector and B-117 (terminal No. 1) starter connector.
- Check output line for open circuit and damage.
|
|
|
|
|
|
Repair or replace the connector.
|
|
|
|
|
|
Q.
Is the check result normal?
|
|
|
Repair or replace the connector.
|
|
|
|
|
|
- Disconnect connector, and measure at the harness side.
- Voltage between terminal No. 1 and earth.
|
|
|
Q.
Is the check result normal?
|
|
|

Check and repair harness between B-118 (terminal No.
1) starter connector and battery.
- Check power supply line for open/short circuit.
|
|
|
|
|
|
- Check output line for damage.
|
|
|
Q.
Is the check result normal?
|
|
|
Repair the damaged harness wire.
|
|
|
|
|
|
- Check power supply line for damage.
|
|
|
Q.
Is the check result normal?
|
|
|
Repair the damaged harness wire.
|
|
|
|