REMOVAL AND INSTALLATION



<6G7>






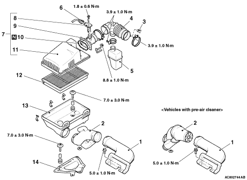
Removal steps


1.
Air intake duct A


2.
Air intake duct B or pre-air cleaner


3.
Breather hose connection


4.
Air intake hose


5.
Air cleaner resonator


6.
Air flow sensor connector connection


7.
Air cleaner cover assembly


8.
Air flow sensor


9.
Air flow sensor support


10.
Gasket


11.
Air cleaner cover


12.
Air cleaner element


13.
Air cleaner body


14.
Air cleaner bracket

<4M4>






Removal steps


1.
Air intake duct


2.
Pre-air cleaner


3.
Breather hose connection


4.
Blow-by heater connector connection <some models>


5.
Air intake hose


6.
Air flow sensor connector connection


7.
Air cleaner cover assembly


8.
Air flow sensor


9.
Air cleaner cover


10.
Air cleaner element


11.
Air cleaner body


12.
Air cleaner bracket