|
|
1.Removal the engine-A/T-ECU. (Refer to GROUP 13A - Engine-A/T-ECU).
|

|
2.Removal the A/T control relay.
|

|
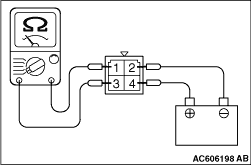
3.Use the jumper leads to connect A/T control relay terminal No.2 to the negative battery terminal and terminal No.4 to the positive battery terminal. 4.Check the continuity between A/T control relay connector terminals No.1 and No.3 while alternately connecting and disconnecting the jumper leads from the battery terminals.
|
|
Jumper leads
|
Continuity between terminals No.1 and No.3
|
Connected
|
Continuity (Less than 2 Ω)
|
Disconnected
|
Open circuit
|
|
5.If there is a malfunction, replace the A/T control relay.
|