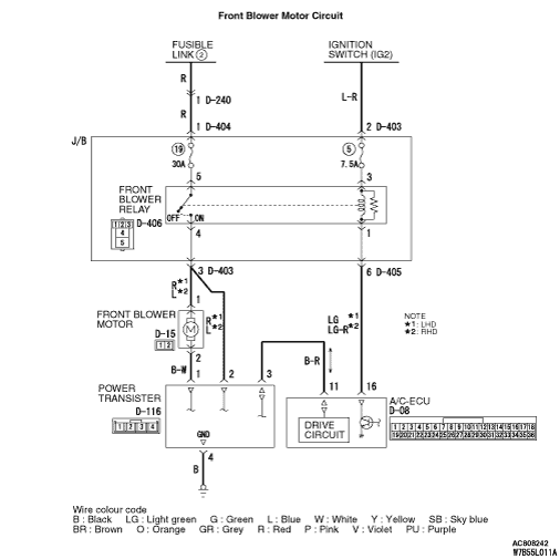
Inspection Procedure 3: The front blower does not work


















COMMENTS ON TROUBLE SYMPTOM


If the blower motor does not operate, the blower motor circuit system may be defective.

PROBABLE CAUSES



  • Malfunction of the front blower motor (blower linear controller).
  • Malfunction of the front power transistor.
  • Malfunction of the A/C-ECU
  • Damaged the wiring harness or connectors

DIAGNOSIS PROCEDURE


STEP 1. Check the operation of the heater control panel


Check that the A/C switch, rear window defogger switch and outside/inside air selection switch can operate.

Q. Is the check result normal?

Go to Step 2.
Inspection Procedure 14: Refer to A/C-ECU power supply system .

STEP 2. Connector check: D-406 front blower relay connector


Q. Is the check result normal?

Go to Step 3.
Repair the connector.

STEP 3. Check the blower relay.


Refer to .

Q. Is the blower relay in good condition?

Go to Step 4.
Replace the blower relay.

STEP 4. Connector check: D-15 front blower motor connector and D-08 A/C-ECU connector


Q. Is the check result normal?

Go to Step 5.
Repair the connector.

STEP 5. Voltage measurement at the D-15 front blower motor controller connector.


(1)Disconnect the connector, and measure at the wiring harness side.
(2)Turn the ignition switch to the ON position.
(3)Disconnect A/C-ECU connector D-08, and earth terminal 16.
(4)measure the voltage between terminal 1 and body earth.
OK: System voltage

Q. Is the check result normal?

Go to Step 12.
Go to Step 6.

STEP 6. Voltage measurement at D-406 front blower relay connector.


(1)Remove the relay, and measure at the junction block side.
(2)Turn the ignition switch to the ON position.
(3)Voltage between terminal 3 and body earth.
OK: System voltage

Q. Is the check result normal?

Go to Step 8.
Go to Step 7.

STEP 7. Check the wiring harness between D-406 front blower relay connector terminal No.3 and the ignition switch (IG2).


note Prior to the wiring harness inspection, check junction block connector D-403, and repair if necessary.

  • Check the blower relay power supply line for open circuit.

Q. Is the check result normal?

The trouble can be an intermittent malfunction (Refer to GROUP 00, How to Cope with Intermittent Malfunction ).
Repair the wiring harness.

STEP 8. Voltage measurement at D-406 front blower relay connector.


(1)Remove the relay, and measure at the junction block side.
(2)Voltage between terminal 5 and body earth.
OK: System voltage

Q. Is the check result normal?

Go to Step 10.
Go to Step 9.

STEP 9. Check the wiring harness between D-406 front blower relay connector terminal No.5 and fusible link (2).


note Prior to the wiring harness inspection, check intermediate connectors D-240 and junction block connector D-404, and repair if necessary.

  • Check the blower relay power supply line for open circuit.

Q. Is the check result normal?

The trouble can be an intermittent malfunction (Refer to GROUP 00, How to Cope with Intermittent Malfunction ).
Repair the wiring harness.

STEP 10. Check the wiring harness between D-406 front blower relay connector terminal No.4 and D-15 front blower motor connector terminal No.1.


note Prior to the wiring harness inspection, check junction block connector D-403, and repair if necessary.

  • Check the blower relay earth wires for open circuit.

Q. Is the check result normal?

Go to Step 11.
Repair the wiring harness.

STEP 11. Check the wiring harness between D-406 front blower relay connector terminal No.1 and D-08 A/C-ECU connector terminal No.16.


note Prior to the wiring harness inspection, check junction block connector D-405, and repair if necessary.

  • Check the blower relay power supply line for open circuit.

Q. Is the check result normal?

The trouble can be an intermittent malfunction (Refer to GROUP 00, How to Cope with Intermittent Malfunction ).
Repair the wiring harness.

STEP 12. Check the front blower motor


Refer to .

Q. Is the check result normal?

Go to Step 13.
Replace the outside/inside air selection damper control motor.

STEP 13. Connector check: D-116 power transistor controller connector


Q. Is the check result normal?

Go to Step 14.
Repair the connector.

STEP 14. Resistance measurement at the D-116 power transistor connector.


(1)Disconnect the connector, and measure at the wiring harness side.
(2)Continuity between terminal 4 and body earth
OK: Continuity (Less than 2 Ω)

Q. Is the check result normal?

Go to Step 16.
Go to Step 15.

STEP 15. Check the wiring harness between D-116 power transistor connector terminal No.2 and body earth.



  • Check the power transistor earth line for open circuit.

Q. Is the check result normal?

The trouble can be an intermittent malfunction (Refer to GROUP 00, How to Cope with Intermittent Malfunction ).
Repair the wiring harness.

STEP 16. Check the wiring harness between D-15 blower motor connector terminal No.2 and D-116 power transistor controller connector terminal No.1.



  • Check the power transistor power supply line for open circuit.

Q. Is the check result normal?

Go to Step 17.
Repair the wiring harness.

STEP 17. Check the wiring harness between D-403 junction block connector terminal No.3 and D-116 power transistor controller connector terminal No.2.



  • Check the power transistor power supply line for open circuit.

Q. Is the check result normal?

Go to Step 18.
Repair the wiring harness.

STEP 18. Check the wiring harness between D-08 A/C-ECU connector terminal No.11 and D-116 power transistor controller connector terminal No.3.



  • Check the power transistor input line for open circuit.

Q. Is the check result normal?

Go to Step 19.
Repair the wiring harness.

STEP 19. Replace the power transistor and recheck the trouble symptom


Check that the front blower motor operates normally.

Q. Is the check result normal?

This diagnosis is complete.
Replace the A/C-ECU.