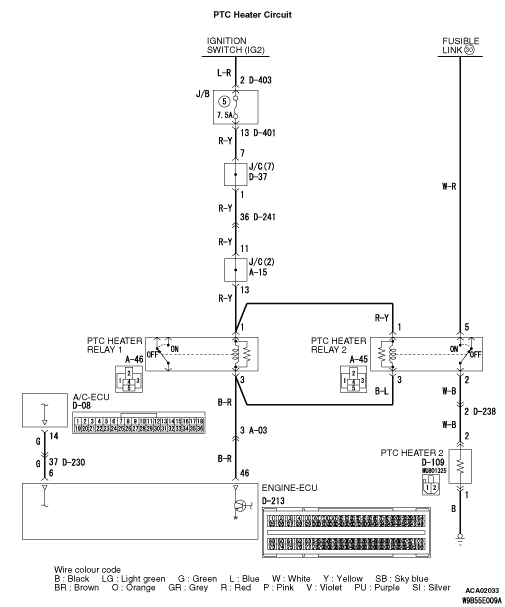
Inspection Procedure 17: The PTC heater (Passenger’s side) does not work <3200>


















COMMENTS ON TROUBLE SYMPTOM


When the PTC heater does not work under the following conditions, the PTC heater circuit system may be defective.
PTC heater operating conditions
  • Air outlet: FOOT/DEF, FOOT, FACE/FOOT
  • Temperature control dial: 29°C (MAX HOT)
  • Coolant temperature: 80 degrees Celsius or less
note When the coolant temperature becomes above 80 degrees Celsius and PTC heater stops the operation, the PTC heater does not operate until coolant temperature becomes below 75 degrees Celsius.

PROBABLE CAUSES



  • Damaged the wiring harness or connectors
  • Malfunction of the PTC heater relay 2
  • Malfunction of the PTC heater 2
  • Malfunction of the automatic A/C control panel (A/C-ECU)

DIAGNOSIS PROCEDURE


STEP 1. Connector check: D-109 PTC heater 2 connector


Q. Is the check result normal?

Go to Step 2.
Repair the connector.

STEP 2. Resistance measurement at the D-109 PTC heater 2 connector.


(1)Disconnect the connector, and measure at the wiring harness side.
(2)Continuity between terminal 1 and body earth
OK: Continuity (Less than 2 Ω)

Q. Is the check result normal?

Go to Step 4.
Go to Step 3.

STEP 3. Check the wiring harness between D-109 PTC heater 2 connector terminal No.1 and body earth.



  • Check the PTC heater 2 earth line for open circuit.

Q. Is the check result normal?

The trouble can be an intermittent malfunction (Refer to GROUP 00, How to Cope with Intermittent Malfunction ).
Repair the wiring harness.

STEP 4. Connector check: D-213 engine-ECU connector


Q. Is the check result normal?

Go to Step 5.
Repair the connector.

STEP 5. Voltage measurement at D-109 PTC heater 2 connector.


(1)Disconnect the connector, and measure at the wiring harness side.
(2)Turn the ignition switch to the "ON" position.
(3)Disconnect engine-ECU connector D-213 and earth terminal 46.
(4)Voltage between terminal 2 and body earth.
OK: System voltage

Q. Is the check result normal?

Go to Step 14.
Go to Step 6.

STEP 6. Connector check: A-45 PTC heater relay 2 connector


Q. Is the check result normal?

Go to Step 7.
Repair the connector.

STEP 7. Check the PTC heater relay 2 continuity.


Refer to .

Q. Is the PTC heater switch relay 1 in good condition?

Go to Step 8.
Replace the PTC heater relay 2.

STEP 8. Voltage measurement at A-45 PTC heater relay 2 connector.


(1)Remove the relay, and measure at the relay block side.
(2)Turn the ignition switch to the "ON" position.
(3)Voltage between terminal 1 and body earth.
OK: System voltage

Q. Is the check result normal?

Go to Step 10.
Go to Step 9.

STEP 9. Check the wiring harness between A-45 PTC heater relay 2 connector terminal No.1 and the ignition switch (IG2).


note Prior to the wiring harness inspection, check junction block connectors D-403, D-401, PTC heater relay 1 A-46, joint connector A-15, D-37 and intermediate connector D-241, and repair if necessary.

  • Check the PTC heater relay 2 earth supply line for open circuit.

Q. Is the check result normal?

The trouble can be an intermittent malfunction (Refer to GROUP 00, How to Cope with Intermittent Malfunction ).
Repair the wiring harness.

STEP 10. Voltage measurement at A-45 PTC heater relay 2 connector.


(1)Remove the relay, and measure at the relay block side.
(2)Voltage between terminal 5 and body earth.
OK: System voltage

Q. Is the check result normal?

Go to Step 12.
Go to Step 11.

STEP 11. Check the wiring harness between A-45 PTC heater relay 2 connector terminal No.5 and the fusible link (30).



  • Check the PTC heater relay 2 power supply line for open circuit.

Q. Is the check result normal?

The trouble can be an intermittent malfunction (Refer to GROUP 00, How to Cope with Intermittent Malfunction ).
Repair the wiring harness.

STEP 12. Check the wiring harness between A-45 PTC heater relay 2 connector terminal No.3 and D-213 engine-ECU connector terminal No.46.


note Prior to the wiring harness inspection, check intermediate connector A-03 and PTC heater relay 1 A-46, and repair if necessary.

  • Check the PTC heater relay 2 earth line for open and short circuit.

Q. Is the check result normal?

Go to Step 13.
Repair the wiring harness.

STEP 13. Check the wiring harness between A-45 PTC heater relay 2 connector terminal No.2 and D-109 PTC heater 2 connector terminal No.2.


note Prior to the wiring harness inspection, check intermediate connector D-238, and repair if necessary.

  • Check the PTC heater relay 2 power supply line for open circuit.

Q. Is the check result normal?

The trouble can be an intermittent malfunction (Refer to GROUP 00, How to Cope with Intermittent Malfunction ).
Repair the wiring harness.

STEP 14. Check the wiring harness between D-08 A/C-ECU connector terminal No.14 and D-213 engine-ECU connector terminal No.6.


note Prior to the wiring harness inspection, check intermediate connector D-230, and repair if necessary.

  • Check the engine-ECU input line for open circuit.

Q. Is the check result normal?

Go to Step 15.
Repair the wiring harness.

STEP 15. Replace the A/C-ECU and recheck the trouble symptom


Check that the front blower motor operates normally.

Q. Is the check result normal?

This diagnosis is complete.
Replace the engine-ECU.