Inspection Procedure 3: Abnormality in KOS-ECU power supply and earth circuits.
| caution | Before replacing the ECU, ensure that the power supply circuit, the earth circuit and the communication circuit are normal. |





PROBABLE CAUSES
- Damaged wiring harness and connectors
- Malfunction of KOS-ECU
DIAGNOSIS PROCEDURE |
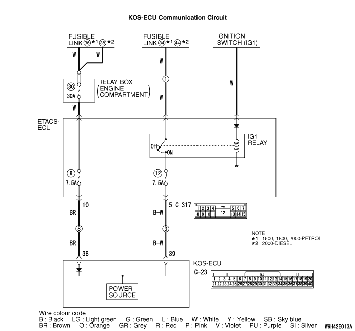
STEP 1. Connector check: C-23 KOS-ECU connector, C-317 ETACS-ECU connector |
Q.
Is the check result normal?
|
Go to Step 2. |
|
Repair the defective connector. |
|
STEP 2. Check the wiring harness between the C-23 KOS-ECU connector terminal No. 38, 39 and the C-317 ETACS-ECU connector terminal No. 10, 5 and between the C-23 KOS-ECU connector terminal No. 14 and the body earth. |
|
Q.
Is the check result normal?
|
Go to Step 3. |
|
Repair the wiring harness. |
|
STEP 3. Retest the system |
Q.
Is the check result normal?
|
The trouble can be an intermittent malfunction (Refer to GROUP 00 - How to Cope with Intermittent Malfunction ). |
|
Replace KOS-ECU and register the ID codes (Refer to ). |
|

Repair the defective connector.