Diagnosis Item 18: Diagnose when the M.U.T.-III cannot receive the data sent by KOS-ECU <vehicles with KOS>



caution When servicing a CAN bus line, earth yourself by touching a metal object such as an unpainted water pipe. If you fail to do, a component connected to the CAN bus line may be broken.








FUNCTION




TROUBLE JUDGEMENT CONDITIONS




TROUBLESHOOTING HINTS



  • Malfunction of the connector [joint connector (CAN1) or KOS-ECU connector improperly connected]
  • Malfunction of the wiring harness [open circuit between the KOS-ECU connector and the joint connector (CAN1), or power supply circuit to the KOS-ECU]
  • Malfunction of the KOS-ECU

DIAGNOSIS PROCEDURE


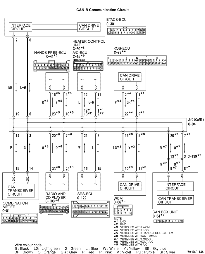
STEP 1. Connector check: C-04 joint connector (CAN1) and C-23 KOS-ECU connector


caution The strand end of the twist wire should be within 10 cm from the connector. For details refer to .

Q. Is the check result normal?

Go to Step 2.
Repair the defective connector.

STEP 2. Check the wiring harness between C-23 KOS-ECU connector and C-04 joint connector (CAN1)


caution Strictly observe the specified wiring harness repair procedure. For details refer to .
Disconnect KOS-ECU connector and joint connector (CAN1), and check the following wiring harness for open circuit
(1)The wiring harness between C-23 KOS-ECU connector terminal No.1 and C-04 joint connector (CAN1) terminal No.9 <CAN_H>
OK: Continuity exists (2 Ω or less)
(2)The wiring harness between C-23 KOS-ECU connector terminal No.2 and C-04 joint connector (CAN1) terminal No.22 <CAN_L>
OK: Continuity exists (2 Ω or less)

Q. Is the check result normal?

Check the power supply circuit of the KOS-ECU. Refer to GROUP 42B - Troubleshooting .
Repair the wiring harness.