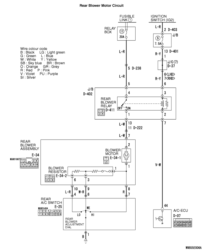
Inspection Procedure 11: Rear blower does not work <Dual A/C>


























CIRCUIT OPERATION




PROBABLE CAUSES



  • Malfunction of the A/C-ECU
  • Malfunction of the rear blower relay
  • Malfunction of the rear A/C switch
  • Damaged the wiring harness or connectors
  • Malfunction of the rear blower motor

DIAGNOSIS PROCEDURE


STEP 1. Check that the blower motor operates when the blower switch is moved to the "3 (HI) " position.


(1)Turn the ignition switch to the "ON" position.
(2)Turn the rear blower switch to the "3 (HI) " position.

Q. Does the blower motor operate when the blower switch is moved to the "3 (HI) " position?

Refer to Inspection procedure 11 "Air volume of rear blower cannot be changed <dual A/C> ."
Go to Step 2.

STEP 2. Connector check: D-07 A/C-ECU connector and E-34-1 rear blower motor connector


Q. Is the check result normal?

Go to Step 3.
Repair the connector.

STEP 3. Voltage measurement at E-34-1 rear blower motor connector.


(1)Disconnect the connector, and measure at the wiring harness side.
(2)Turn the ignition switch to the "ON" position.
(3)Disconnect A/C-ECU connector D-07 and earth terminal 44.
(4)Measure the voltage between terminal 2 and body earth.
OK: System voltage

Q. Is the check result normal?

Go to Step 12.
Go to Step 4.

STEP 4. Connector check: D-411 rear blower relay connector


Q. Is the check result normal?

Go to Step 5.
Repair the connector.

STEP 5. Check the rear blower relay continuity.


Refer to .

Q. Is the rear blower relay in good condition?

Go to Step 6.
Replace the rear blower relay.

STEP 6. Voltage measurement at D-411 rear blower relay connector.


(1)Remove the relay, and measure at the junction block side.
(2)Measure the voltage between terminal 4 and body earth.
OK: System voltage

Q. Is the check result normal?

Go to Step 8.
Go to Step 7.

STEP 7. Check the wiring harness between D-411 rear blower relay connector terminal No.4 and the fusible link (1).


note Prior to the wiring harness inspection, check intermediate connectors D-238, and junction block connector D-402, and repair if necessary.

  • Check the rear blower relay power supply line for open and short circuit.

Q. Is the check result normal?

The trouble can be an intermittent malfunction (Refer to GROUP 00, How to Cope with Intermittent Malfunction ).
Repair the wiring harness.

STEP 8. Voltage measurement at D-411 rear blower relay connector.


(1)Remove the relay, and measure at the junction block side.
(2)Turn the ignition switch to the "ON" earth position.
(3)Voltage between terminal 3 and body earth.
OK: System voltage

Q. Is the check result normal?

Go to Step 10.
Go to Step 9.

STEP 9. Check the wiring harness between D-411 rear blower relay connector No.3 and ignition switch (IG2).


note Prior to the wiring harness inspection, check junction block connectors D-403, D-401, D-402 and joint connector D-37, and repair if necessary.

  • Check the rear blower relay power supply line for open circuit.

Q. Is the check result normal?

The trouble can be an intermittent malfunction (Refer to GROUP 00, How to Cope with Intermittent Malfunction ).
Repair the wiring harness.

STEP 10. Check the wiring harness between D-411 rear blower relay connector No.2 and D-07 A/C-ECU connector No.44.


note Prior to the wiring harness inspection, check junction block connector D-402, and repair if necessary.

  • Check the rear blower relay power supply line for open circuit.

Q. Is the check result normal?

Go to Step 11.
Repair the wiring harness.

STEP 11. Check the wiring harness between D-411 rear blower relay connector No.1 and E-34-1 rear blower motor connector No.2.


note Prior to the wiring harness inspection, check junction block connector D-402, intermediate connector D-222 and rear heater unit connector E-34, and repair if necessary.

  • Check the rear blower relay line for open and short circuit.

Q. Is the check result normal?

The trouble can be an intermittent malfunction (Refer to GROUP 00, How to Cope with Intermittent Malfunction ).
Repair the wiring harness.

STEP 12. Resistance measurement at E-34-1 rear blower motor connector.


(1)Disconnect the connector, and measure at the wiring harness side.
(2)Turn the rear blower switch to the "3 (HI) " position.
(3)Continuity between terminal 1 and body earth.
OK: Continuity (Less than 2 Ω)

Q. Is the check result normal?

Go to Step 18.
Go to Step 13.

STEP 13. Connector check: E-25 rear A/C switch connector


Q. Is the check result normal?

Go to Step 14.
Repair the connector.

STEP 14. Check the rear A/C switch continuity.


Refer to .

Q. Is the rear blower relay in good condition?

Go to Step 15.
Replace the rear blower relay.

STEP 15. Resistance measurement at E-25 rear blower motor connector.


(1)Disconnect the connector, and measure at the wiring harness side.
(2)Continuity between terminal 1 and body earth.
OK: Continuity (Less than 2 Ω)

Q. Is the check result normal?

Go to Step 17.
Go to Step 16.

STEP 16. Check the wiring harness between E-25 rear A/C switch connector No.1 and earth.



  • Check the rear A/C switch earth line for open circuit.

Q. Is the check result normal?

The trouble can be an intermittent malfunction (Refer to GROUP 00, How to Cope with Intermittent Malfunction ).
Repair or replace the wiring harness.

STEP 17. Check the wiring harness between E-34-1 rear blower motor connector No.1 and E-25 rear A/C switch connector No.7.


note Prior to the wiring harness inspection, check rear heater unit connector E-34, and repair if necessary.

  • Check the rear blower relay line for open and short circuit.

Q. Is the check result normal?

The trouble can be an intermittent malfunction (Refer to GROUP 00, How to Cope with Intermittent Malfunction ).
Repair the wiring harness.

STEP 18. Check the rear blower motor.


Refer to .

Q. Is the rear blower motor in good condition?

Replace the A/C-ECU.
Replace the rear blower motor.