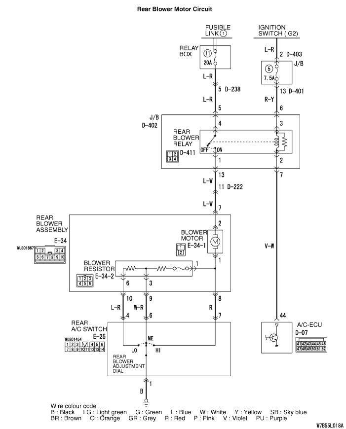
Inspection Procedure 12: Air volume of rear blower cannot be changed. <Dual A/C>














COMMENTS ON TROUBLE SYMPTOM




PROBABLE CAUSES



  • Malfunction of the blower resistor
  • Damaged the wiring harness or connectors
  • Malfunction of the rear A/C switch

DIAGNOSIS PROCEDURE


STEP 1. Check that the blower motor operates when the blower switch is moved to the "3 (HI) " position.


(1)Turn the ignition switch to the "ON" position.
(2)Turn the rear blower switch to the "3 (HI) " position.

Q. Does the blower motor operate when the blower switch is moved to the "3 (HI) " position?

Go to Step 2.
Refer to Inspection procedure 10 "The rear blower does not work <Dual A/C> .

STEP 2. Connector check: E-34-2 blower resistor connector


Q. Is the check result normal?

Go to Step 3.
Repair the connector.

STEP 3. Check the blower resistor.


Refer to .

Q. Is the rear blower relay in good condition?

Go to Step 4.
Replace the blower resistor.

STEP 4. Connector check: E-25 rear A/C switch connector


Q. Is the check result normal?

Go to Step 5.
Repair the connector.

STEP 5. Check the rear A/C switch.


Refer to .

Q. Is the rear blower relay in good condition?

Go to Step 6.
Replace the blower resistor.

STEP 6. Check the wiring harness between E-25 rear A/C switch connector (terminals 4 and 6) and E-34-2 blower resistor connector (terminals 6 and 3).


note Prior to the wiring harness inspection, check rear heater unit connector E-34, and repair if necessary.

  • Check the rear blower resistor earth line for open circuit.

Q. Is the check result normal?

Go to Step 7.
Repair the wiring harness.

STEP 7. Connector check: E-34-1 rear blower motor connector


Q. Is the check result normal?

Go to Step 8.
Repair the connector.

STEP 8. Check the wiring harness between E-34-2 blower resistor connector terminal No.1 and E-34-1 blower motor connector terminal No.1.



  • Check the rear blower motor earth line for open circuit.

Q. Is the check result normal?

The trouble can be an intermittent malfunction (Refer to GROUP 00, How to Cope with Intermittent Malfunction ).
Repair the wiring harness.