REMOVAL AND INSTALLATION



warning For removal and installation of the passenger’s side air bag module, always observe the service procedures described in GROUP 52B, Driver’s Air Bag Module <Except for RALLIART> <RALLIART> to Passenger’s (Front) Air Bag Module .

Name
Symbol
Size (D × L) mm
Colour
Shape
Tapping screw
a
5 × 12
-


b
5 × 16
-
c
5 × 12
-


Bolt with washer
d
5 × 20
-


e
6 × 16
-




caution
  • Refer to GROUP 52B-SRS Service Precautions and Air bag Module and Clock Spring before removing the passenger side air bag module.
  • Do not subject the SRS-ECU to any shocks when removing or installing the instrument panel.
Pre-removal and Post-installation Operation
  • Removal and Installation of Front Pillar Trim (Refer to ).
  • Removal and Installation of Instrument Under Cover (Refer to ).
  • Removal and Installation of Glove Box (Refer to ).
  • Removal and Installation of Instrument Cover Lower, Air Outlet Garnish (Refer to ).
  • Removal and Installation of Radio and CD player bracket (Refer to GROUP 54A, Radio And CD Player ).
  • Removal and Installation of Steering shaft (Refer to GROUP 37A, Steering Column Shaft or GROUP 37B, Steering Column Shaft ).





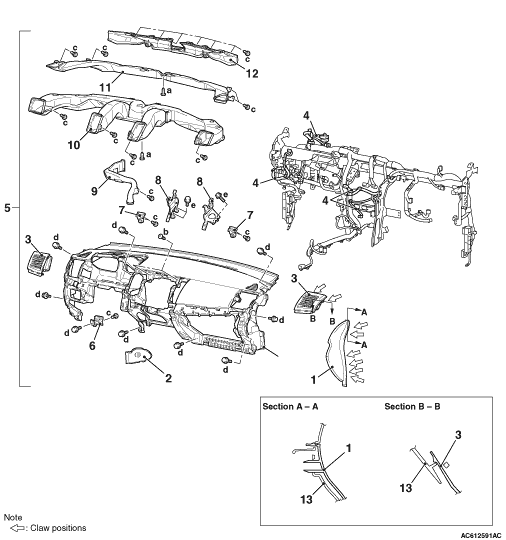
Removal steps


1.
Instrument panel side cover


·.
Combination meter (Refer to GROUP 54A, Combination Meter ).


2.
Instrument panel console cover (LHD)


3.
Instrument panel side air outlet


4.
Instrument panel harness clamp


5.
Instrument panel assembly


·
Passenger’s (front) air bag module (Refer to GROUP 52B, Air Bag Module(s) and Clock Spring ).


6.
Instrument panel side bracket lower


7.
Instrument panel holder


8.
Instrument panel reinforcement centre


9.
Cooler duct <Vehicles with cooler duct>


10.
Ventilator air distribution duct


11.
Side defroster duct


12.
Defroster nozzle


13.
Instrument panel